SA视讯(中国区)官方网站SA视讯

SA视讯(中国区)官方网站 id="pcHeadSearch">

EN

SA视讯(中国区)官方网站 class="g_syworldbtmimg1"> SA视讯(中国区)官方网站 class="g_syworldbtmimg2">
Product
SA视讯(中国区)官方网站

Product

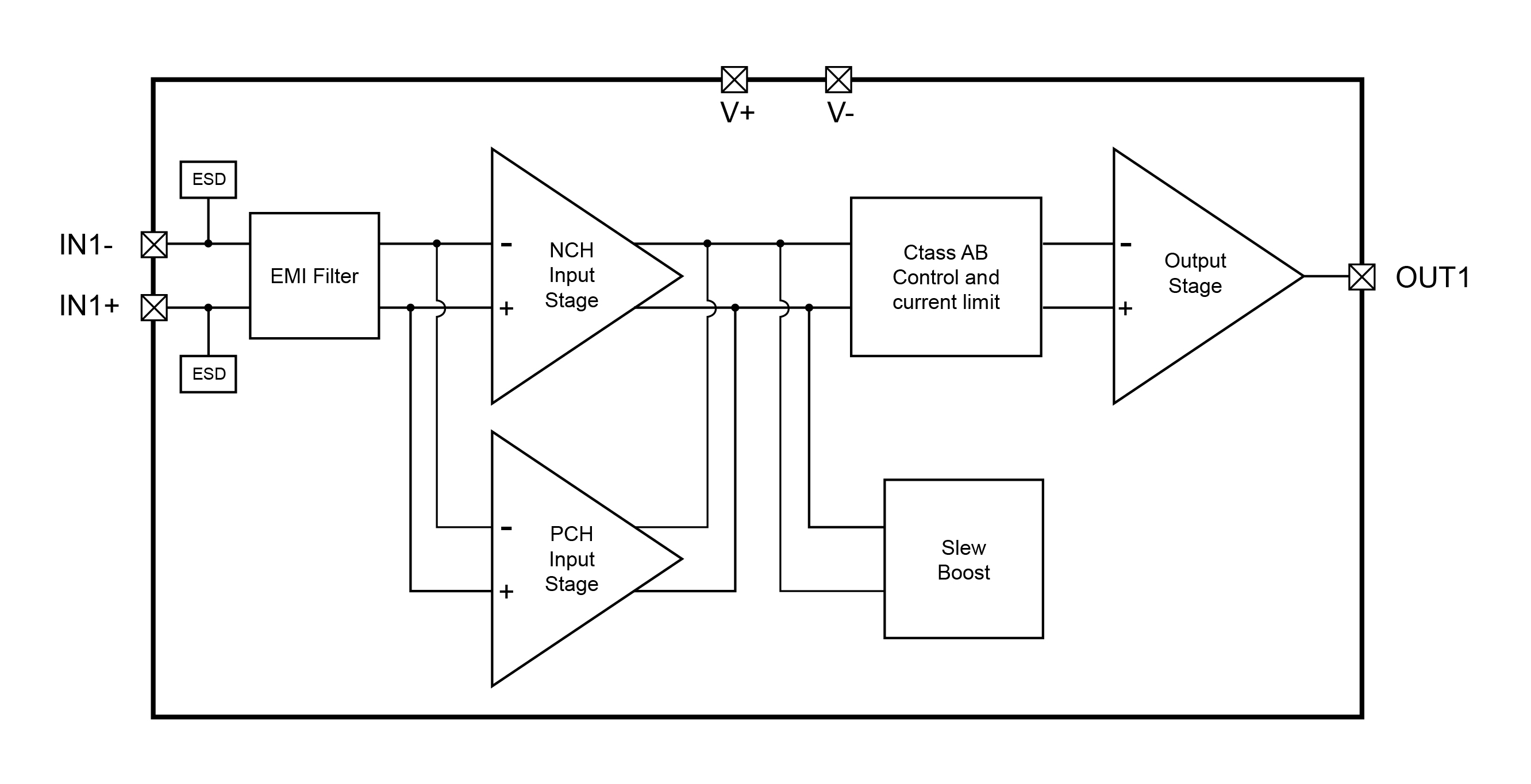
NSOPA801x/NSOPA801xQ: Low Voltage, General Purpose, Low-power Operational Amplifiers

SA视讯(中国区)官方网站>
SA视讯(中国区)官方网站>

The NSOPA801x/NSOPA801xQ series is a low voltage (1.8 V to 5.5 V), general purpose, low-power operational amplifiers (op amps) with rail-to-rail input and output swing capabilities. These op amps provide a cost-effective solution for low-voltage operation and high capacitive-load drive are required. The capacitive-load drive of the NSOPA801x/NSOPA801xQ series is 1nF, and the resistive open-loop output impedance makes stabilization easier with much higher capacitive loads. The robust design of the NSOPA801x/NSOPA801xQ series simplifies circuit design. The op amps feature unity-gain stability, an integrated RFI and EMI rejection filter, and no-phase reversal in overdrive conditions. Micro-size packages, such as SC70-5, along with industry-standard packages such as SOT23-5L, SOP, MSOP, and TSSOP packages.


Product Features

Supply voltage range: 1.8V to 5.5V

Rail-to-rail input and output

Low input offset voltage: ±0.55 mV (typical)

Gain-bandwidth product: 1.5 MHz

Unity-gain stable

Low broadband noise: 22 nV/√Hz (typical)

Low input bias current: 5 pA (typical)

Low quiescent current: 78 µA/Ch (typical)

Internal RFI and EMI filter

Extended temperature range: –40°C to 125°C

AEC-Q100 qualified for automotive applications

Application

Sensor signal conditioning

Power Delivery: UPS/Power module/Solar

Inverter/Servo/PLC/Motor driver

Low-side current sensing

ASIC Input or Output Amplifiers


Functional Block Diagram

1725960156385787.jpg

SA视讯(中国区)官方网站>

For more product information, please contact us.

SA视讯